DisplayPort™ PHY Compliance Test and Debug

Use Cases / MarketsUse Cases / Markets
OverviewOverview
Source (Tx) ComplianceSource (Tx) Compliance
Sink (Rx) ComplianceSink (Rx) Compliance
Interoperability DebugInteroperability Debug
ExpertiseExpertise
ResourcesResources

DisplayPort Test Solutions for Test Labs and Developers

VESA defines the DisplayPort PHY compliance test specification (CTS). The latest DisplayPort 2.1 version supersedes the legacy DisplayPort 1.4b and significantly increases data rates, creating more design challenges, PHY compliance test time, and likelihood of interoperability failures. Teledyne LeCroy DisplayPort 2.1 test solutions provide:

  • PHY compliance source testing
  • PHY compliance sink testing
  • Interoperability validation with combined PHY and protocol debug

DisplayPort VESA Compliance and LTTPR and AUX Channel Debug – Ideal for Both Test Labs and Product Developers

DisplayPort Physical Layer (PHY) ultra-high resolution, fast display refresh rates, ultra-high bit rates (UHBR) and multiple serial data lanes requires time-consuming testing to ensure compliance. But compliance-tested links often fail interoperability, decreasing customer satisfaction.

VESA compliance DisplayPort test for compliance of Tx source signals using a Teledyne LeCroy WavePulser and scope
DisplayPort test report for VESA PHY compliance testing
DisplayPort AUX channel monitor to test DisplayPort link-up communication over the DP-AUX channel, and view DisplayPort AUX waveform synchronous with ML0 and ML1 high-speed signals.

DisplayPort test labs will appreciate the throughput and efficiency of Teledyne LeCroy’s DisplayPort PHY compliance test – Accelerate your Source (Tx) PHY testing.

  • Single compliance test software package supports all UHBR, HBR and RBR requirements
  • Reduced test times using advanced algorithms to quickly “find best” Preset/CTLE/DFE PHY settings
  • Optimize usage of oscilloscope equipment to capture data in the lab and perform compliance testing off line

Product developers need to reduce time-to-market and test cost by performing pre-compliance testing. Pre-compliance testing will provide more confidence a “pass” will be achieved at the test lab after one test.

  • Test equipment purchase cost can be quickly offset by test lab compliance test cost savings
  • Product development engineers can gain a better understanding of design performance to improve time-to-market and performance of future designs
  • Test equipment can be also leveraged to perform important interoperability test and debug that is not part of formal compliance testing

Real source/sink links between actual products (on a live link) need to be validated and debugged to ensure that the promised high-speed capabilities of the latest DisplayPort 2.1 CTS are met in the real-world.

  • Small additional equipment investment for interoperability debug once pre-compliance test is being performed
  • Anticipate all failure modes due to LTTPR retimer, compliance pattern, or DisplayPort AUX channel protocol issues and improve interoperability and product quality
  • Debug signal integrity failures quickly with SDAX-DP
  • Read More about the oscilloscope, test coupon fixtures, and software that allows test for common failure modes
  • Watch Webinar or download White Paper for more details

Most Efficient DisplayPort PHY Compliance Testing and Complete Interoperability Debug

DisplayPort 2.1 increased data throughput has vastly increased compliance test requirements and test complexity, and increased the likelihood that real-world performance will not meet the customer’s expectations. Teledyne LeCroy can reduce your cost and risk.

DisplayPort test connection from oscilloscope to AUX controller and DUT for Source (Tx) test

Accelerated Source PHY (Tx) Compliance Test

Higher throughput and efficiency with faster DisplayPort Source (Tx) Testing
  • Full DisplayPort 2.1 CTS support with easy setup
  • Reduced test times
  • Automated Tx/Rx return loss measurements saves time, reduces errors
DisplayPort Sink (Rx) test connection from oscilloscope and Anritsu MP1900A SQA-R BERT to DUT

Complete Sink (Rx) Calibration and BER Compliance Testing

Unified compliance test framework for both Source and Sink compliance test
  • Full DisplayPort 2.1 CTS support with easy setup
  • Simplified calibration and BER testing
  • Automated channel calibration process saves time, reduces errors
DisplayPort AUX channel monitor to test DisplayPort link-up communication over the DP AUX channel, and view DisplayPort AUX waveform synchronous with ML0 and ML1 high-speed signals.

Improved Interoperability and Product Quality

Anticipate all failure modes, debug real-world source/sink links between products
  • Capture all signals simultaneously on one oscilloscope to speed debug
  • Identify LTTPR retimed clock frequency variations
  • Quickly identify compliance pattern issues
  • Time synchronize sidebands with main link signals to verify proper link training

Accelerated DisplayPort Source (Tx) PHY Compliance Testing

QualiPHY 2 fully automates DisplayPort 2.1 PHY Source (Tx) compliance testing. Increase DisplayPort compliance test throughput and efficiency to provide competitive advantage and ensure that compliance testing can fit within your customer’s budget.

Full DisplayPort PHY compliance test specification (CTS) support for  DisplayPort 2.1 and 1.4b PHY compliance testing.using a Teledyne LeCroy oscilloscope and test software
Operator test DisplayPort to the DisplayPort PHY compliance test standard (CTS) without the oscilloscope connected using saved waveform files.
Connection diagram and test software for DisplayPort return loss measurements for Source (Tx) PHY compliance testing, using a WavePulser 40iX

QPHY2-DP2-SOURCE-TX software provides the fastest way to perform compliance testing on DisplayPort 2.1 Source (Tx) devices. It supports all DisplayPort 2.1 CTS UHBR data rates and all DisplayPort 1.4b CTS HBR data rates and the RBR date rate.

Teledyne LeCroy provides faster test throughput using a combination of superior compliance test software and offline test capabilities to optimize test equipment usage and reduce test times

  • QPHY2-DP2-SOURCE-TX compliance test software algorithms quickly “find best” Preset/CTLE/DFE PHY settings
  • Capture waveforms in the lab using the oscilloscope and then take your test session offline using QPHY2-PC, optimizing oscilloscope lab usage.
  • Single results database with merged data sets for a common test session and flexible reporting tailored to the specific task

QPHY2-DP2-SOURCE-TX saves time and reduce errors with automated S-parameter measurements without the cost and complexity of a vector network analyzer (VNA).

  • WavePulser40iX performs all return loss measurements at lower cost than a VNA, and utilizes a built-in automatic calibration (easier to use)
  • Tx Return Loss data is automatically collected and incorporated into compliance test report
  • Test cables are measured and automatically de-embedded during Source (Tx) testing.

Complete DisplayPort Sink (Rx) Calibration and BER Compliance Testing

QPHY2-DP2-SINK-RX software provides automated calibration and Sink BER compliance testing on DisplayPort 2.1 Source (Rx) devices. Supporting all DisplayPort 2.1 CTS UHBR data rates and all DisplayPort 1.4b CTS HBR/RBR data rates.

Full DisplayPort 2.1 CTS Sink (Rx) Support with Simple Setup

 

  • UHBR10, UHBR13.5, UHBR20, HBR, HBR2, HBR3, and RBR compliance in a single DisplayPort 2.1 and 1.4 compliance test software framework
  • One compliance test framework (QualiPHY 2) supports both Source and Sink testing
  • Easy to use - simply follow test trees, connection diagrams, and press run.
  • VESA approved compliance report

Simplified DisplayPort Sink (Rx) Calibration and BER Testing

 

  • Test tree and connection diagrams guide you through CTS
  • Perform BER testing on the oscilloscope or remotely to optimize oscilloscope lab usage
  • Same compliance test framework as used for Source (Tx) testing simplifies testing and reporting

Automated DisplayPort Sink (Rx) Channel Calibration Saves Time and Reduces Errors

 

  • Network analysis using the WavePulser40iX with built-in automatic calibration – Watch Video
  • QualiPHY 2 compliance test automation provides connection diagrams and ISI adjustment dialogs and automates data collection
  • All measured channel loss values are integrated into the single Sink (Rx) compliance test report

Best DisplayPort Interoperability Testing

The WaveMaster 8000HD oscilloscope combines high-speed and sideband testing into a single instrument, making it the only oscilloscope that performs both DisplayPort PHY compliance and interoperability debug on live links. Acquire the serial data superpower to ensure your DisplayPort designs deliver the promised performance in the real world.

DisplayPort oscilloscope for DisplayPort test of AUX channel training sequence showing DisplayPort AUX channel protocol and signal information, AUX channel waveforms and main link signals.
  • Four 25 GHz, 80GS/s ProAxial (50 Ohm) input channels (suitable for DisplayPort 2.1 UHBR20 Main Link signals) with 12-bit resolution all the time
  • Four 2 GHz ProBus (1 MOhm) input channels for sideband passive and active probing
  • Up to 8 Gpts of acquisition memory enables detailed viewing of link training
  • DisplayPort AUX Channel protocol & USB Power Delivery trigger and decode with measure/graph & physical layer measurements

  • High-speed Serial Data Expert software (SDAX-DP) for analyzing signal quality during training

  • Mixed-signal capability – use digital channels for sideband trigger and decode
  • Two each USB Type-A and one USB Type-C superspeed ports for fast waveform data transfer
  • The TF-USB-C-SB Test Coupon Fixture provides connections USB-PD, DisplayPort AUX Channel, and USB4-SB

  • The TF-USB-C-HS Test Coupon Fixture is similar to TF-USB-C-SB but also connects to high-speed signals.

Discover All Failure Modes - Improve Interoperability and Product Quality

The examples described below are fully described in the White Paper “Your USB4 and DisplayPort Designs will Fail Unless You Understand Link Training” or Watch Webinar of the same name

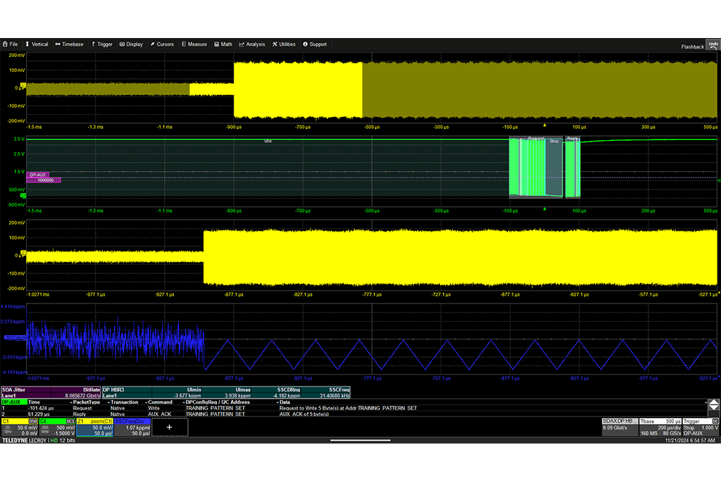
DisplayPort ML0/ML1 signal acquisition with trigger on TRAINING_PATTERN_SET with SSC measurements

Identify DisplayPort LTTPR Retimed Clock Frequency Variations

  • Simultaneously probe and capture the SBU/AUX electrical signal and the ML0/ML1 high-speed signals.
  • Precisely trigger the oscilloscope for 80 GS/s captures at the time when the retimer starts transmitting data with the retimed clock
  • Capture the entire main link transaction sequence and decode the DisplayPort AUX signal to understand when the retimer begins transmitting retimed data
DisplayPort 2.1 AUX training sequence

Verify Proper DisplayPort AUX Link Training to Achieve Rated DisplayPort 2.1 Speeds

Time Synchronize DisplayPort Sidebands with Main Link Signals to validate DisplayPort AUX link training
  • Trigger on any AUX Channel or USB-C Power Delivery message with DP-AUX TDMP or USB-PD TDMP.
  • Debug Source and Sink Link negotiation
  • Intuitive, color-coded decode overlays with interactive protocol table with zoom and pattern search
  • Automated DisplayPort AUX to USB-PD timing measurements
DisplayPort AUX debug on a live link to debug DisplayPort compliance pattern issues and verify DisplayPort PHY link training

Quickly Identify DisplayPort Compliance Pattern Issues

  • Simultaneously capture and analyze high-speed signals, DisplayPort AUX communications, and retimer programming to identify electrical compliance test issues.
  • Probe DisplayPort AUX training along with compliance patterns (eg. PRBS, SQ128 and PLTPAT)
  • Verify PHY Link Training Sequence

Built-In Serial Data Analysis Expertise with SDAX-DP Software

Teledyne LeCroy builds decades of industry standard expertise into SDAX analysis software.
Simply Select the Standard, Configure the Test Point, and select Measurements

Select from DisplayPort Specific Configurations

SDAX-DP option for Serial Data Expert adds built-in DisplayPort test expertise for measuring and characterizing signals

  • Easily configurable test point setup
  • Comprehensive Eye, Jitter, and other DisplayPort PHY measurements
  • Simple, powerful equalization analysis

Configure For Testing at Specific Test Points in the DisplayPort Link

Test Point Configuration lets you perform transmitter testing at any test point in the link. From the Tx pins (TP1) to the Rx ‘Compliance’ point (TP3 or TP3_EQ) defined in the Compliance Test Specification (CTS).

  • Test at the ‘PHY Si’ test point by using a measured S-parameter file to de-embed back to the transmitter pins
  • Select TP2 and connector type to test at the device connector
  • Select TP3_EQ to embed the standard’s cable model and apply equalization
  • Use the WavePulser 40iX to create custom S-parameter files for serial data jitter and eye diagram analysis.

Select DisplayPort Specific Measurements

DisplayPort 2.1 PHY CTS jitter, eye diagram and other measurements are accessible at a touch of a button in the SDAX-DP software option.

  • Transmitter Equalization Measurements
  • Eye Diagrams with CTLE/DFE Optimization
  • Amplitude
  • Jitter
  • SSC

DisplayPort Compliance Experience, Leadership, Support

Combining the Teledyne LeCroy WaveMaster 8000HD Oscilloscope, WavePulser 40iX interconnect analyzer and QualiPHY 2 automated compliance test software with the Anritsu SQA-R MP1900A BERT results in the most powerful characterization, compliance and debug solution available.

DisplayPort PHY Source eye diagram for ML0 and ML1 main links
DisplayPort cable S-parameter measurement using WavePulser 40iX high-speed interconnect analyzer (similar to a vector network analyzer)
DisplayPort PHY compliance test software and VESA compliance test report using Teledyne LeCroy QualiPHY 2 automated compliance test framework.
Anritsu SQA-R MP1900A Signal Quality Analyzer-R / BERT commonly used for DisplayPort Sink (Rx) testing with a Teledyne LeCroy oscilloscope.
DisplayPort Source and Sink Fixtures and AUX controllers from Wilder-Tech, Unigraf, LuxShare ICT, and Wild River Technologies.
Quantum Data DisplayPort protocol analyzers

WaveMaster 8000HD series oscilloscopes supports all generations of DisplayPort 2.1 and 1.4b transmitter and receiver testing at all required bandwidths

  • 25 GHz for all UHBR (UHBR10, UHBR13.5, UHBR20) , HBR (HBR, HBR2, HBR3) and RBR data rates (20 Gbps maximum)
  • 16 GHz for UHBR10 and all HBR (HBR, HBR2, HBR3) data rates (8.1Gbps maximum)
  • 13 GHz for HBR2, HBR, RBR (5.4 Gbps maximum)
  • 8 GHz for HBR/RBR (2.7 Gbps maximum)

WavePulser 40iX High-speed Interconnect Analyzer automates DisplayPort 2.1 PHY compliance measurements

  • Network analysis with a frequency range from DC to 40 GHz
  • Built-in automatic calibration
  • Controlled by QualiPHY 2 compliance software to test cable de-embed, Tx/Rx return loss, and Rx channel calibration

QualiPHY 2 automated compliance test software fully automates all aspects of DisplayPort 2.1 PHY compliance testing

  • Source (Tx), Receiver (Rx), and Return Loss (RL)
  • Sink (Rx) stressed signal generator (SSG) calibration
  • Sink (Rx) channel calibration
  • VESA Compliant report generation

Anritsu SQA-R MP1900A series is an 8-slot modular, high-performance BERT supporting all DisplayPort 2.1 stressed signal generator (SSG) requirements

  • Jitter and noise stressor generation for DisplayPort Sink (Rx) calibration.
  • High quality waveform PPG with integrated 10-tap emphasis
  • +/- 0.3 dB preshoot and de-emphasis when calibrated with QPHY2-DP2-SINK-RX software

Teledyne LeCroy’s DisplayPort 2.1 Source and Sink VESA Method of Implementation (MOI) have been verified with the following third-party fixtures and controllers:

Teledyne LeCroy’s Quantum Data products support a variety of test solutions including functional testing for developers in R&D labs, compliance solutions for developers and test engineers, verification and diagnostic testing for professional A/V integrators and installers and fault testing on production lines in manufacturing facilities.

  • Complete solution for DisplayPort Link Layer compliance testing.
  • Full DisplayPort specification support
  • Source and sink testing with video analyzers and generators

Resources

Name

Complete DisplayPort Electrical Test and Debug Datasheet

Teledyne LeCroy product offering and solutions for PHY compliance and PHY-Logic debugging for DisplayPort 1.4b through DisplayPort 2.x

Datasheet

Recommended Equipment List for DisplayPort PHY Compliance Testing

Teledyne LeCroy recommended equipment for both Source (Tx) and Sink (Rx) PHY compliance testing.

Datasheet

DisplayPort AUX TDMP Option (Trigger, Decode, Measure/Graph, Physical Layer)

Datasheet

SDA Expert Technology Framework for DisplayPort (SDAX-DP)

Datasheet
USB-C DisplayPort DP Alt Mode Debug
DisplayPort™ PHY Compliance Test - Source (Tx)
DisplayPort™ PHY Compliance Test - Sink (Rx)
DisplayPort™ PHY S-parameter Measurements

In this webinar we will review the latest PHY test requirements DisplayPort 2.1. Source and Sink test updates and new VESA compliance program requirements.

Learn why products pass compliance but fail interoperability, and how to apply new debug techniques to learn the root cause of interoperability falures.

In this webinar we will focus on compliance and interoperability (C&I) of USB Type-C connected sources and sinks, with practical approaches to debugging electrical system issues that may occur when connecting USB-C devices together and meeting all VESA Specifications.

Name

DisplayPort AUX TDMP Instruction Manual

Product Manual

SDA Expert Software Instruction Manual (for SDAX-DP)

Product Manual

QPHY2-DP2-SOURCE-TX Software Instruction Manual and MOI

Product Manual

QPHY2-DP2-SINK-RX Software Instruction Manual and MOI

Product Manual

Need Assistance or Information?

We’re here to help and answer any question you might have. We look forward to hearing from you