Comprehensive and Powerful Serial Data Debugging with TDME Options

Supported StandardsSupported Standards
TriggerTrigger
DecodeDecode
MeasurementsMeasurements
Serial Data DACSerial Data DAC
Eye DiagramsEye Diagrams
PHY TestingPHY Testing
CrossSync PHYCrossSync PHY
ResourcesResources

Serial Data Oscilloscope Decode, Trigger, and Much More

Teledyne LeCroy offers the widest range and fullest-featured set of serial data debug tools for embedded computing, in-vehicle network, industrial, avionic, sideband/peripheral signals, power management and other applications. Teledyne LeCroy’s TDME solutions provide:

  • T – most powerful and flexible triggering capabilities
  • D – most intuitive serial data decoder
  • Mmeasure and graph tools for serial data validation efficiency
  • E / Peye diagrams, sometimes with enhanced physical layer testing

Unique Features That Are Not Available From Any Other Oscilloscope Manufacturer

Teledyne LeCroy’s triggers and decoders are more powerful and intuitive than others. Serial data DACs with graphing, automated timing and other specialized measurements and bit-sliced eye diagrams provide for faster debugging.

    Comprehensive Support for Many Serial Data Standards

    Click on the name in the table below to learn more about the Teledyne LeCroy oscilloscope decode, trigger, serial data DAC graphing, measurement, eye diagram and other capabilities for that serial data standard.

    Most Powerful and Flexible Serial Data Triggers

    Teledyne LeCroy’s serial triggers are custom-designed by engineers who have deep knowledge of the standard and contain capabilities that go beyond the basics – isolate rare and unusual events better and debug faster.

    Oscilloscope serial data trigger montage of some of the serial data standards supported by Teledyne LeCroy
    Oscilloscope serial trigger setup for a Teledyne LeCroy oscilloscope equipped for serial data triggering.
    Oscilloscope serial trigger example showing ability to trigger on a single byte or a complete message frame.

    Every serial trigger is designed with extensive knowledge of the underlying protocol and contains unique capabilities to provide high performance. For example:

    Teledyne LeCroy serial triggers contain highly flexible conditional data triggering. Trigger on abnormal values and isolate triggering to specific bits in long data streams for better monitoring of critical conditions and more faster troubleshooting.

    Teledyne LeCroy serial triggers often contain capability to customize the protocol format and setup definition into your exact needs.

    • Your UART-based internal standard can have a customized serial trigger
    • Configure UART and SPI definitions for multi-byte messages with custom byte formats, message frame structures and message interframe times
    • Select CAN and ARINC429 messages symbolically
    • Customizable protocol structures for Manchester and NRZ encoded signals

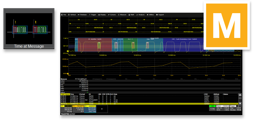
    The Most Intuitive Serial Data Decoder

    Turn your oscilloscope into a protocol analyzer with decoded protocol information color-coded and transparently overlaid with all data in a single time-interleaved table with advanced search and visualization features.

    Intuitive Color-Coded Serial Decode Overlays

    A unique transparent, color-coded overlay makes it easy to correlate signal details with protocol information.

    Advanced Search & Visualization with Real-Time Result

    Navigate long acquisitions using linkable search criteria to find specific messages or quickly jump to the next occurrence of a message.

    Interactive Table Summarizes Results

    Simultaneously display time-ordered decoded protocol information for up to four different signals in the color-coded table.

    Extend Your Knowledge with Automated Measurements and Graphing

    Teledyne LeCroy’s unique measurement and graphing capabilities significantly enhance our trigger and decode capabilities and help you debug and validate faster.

    Serial data protocol and analog signal timing measurements made with an oscilloscope (Teledyne LeCroy software)

    Automated Timing Measurements Speed Validation

    Automatically measure cause-effect timing relationships
    • Measure time between analog signals and messages or between messages
    • Acquire statistics, apply pass/fail conditions, understand corner-case conditions.
    • Reduce debug time and improve validation efficiency
    Serial data digital-to-analog converter (DAC) extracting digital data and converting it to an analog signal using an oscilloscope (Teledyne LeCroy software)

    Serial Data DAC and Graphing Tools

    Digital data is extracted, rescaled to analog values and plotted as a waveform, as if directly probed.
    Serial data protocol bus status measurementsmade with an oscilloscope (Teledyne LeCroy software)

    Bus Status Measurements

    Quickly understand protocol bus utilization and overall performance
    • Computes the load of user-defined messages on the bus
    • Compute bit rates of user-specified messages
    • Count the number of messages matching user definition

    Automated Timing Measurements Improve Validation Efficiency

    Utilize a serial trigger to isolate a specific message and then measure a cause-effect timing relationship with a subsequent analog signal, or vice versa. But instead of manually measuring the timing with cursors, use these tools to automate the measurement and return thousands of values quickly as your system undergoes stress testing under varying operating conditions.

    Serial data  protocol message to analog signal timing measurements made with an oscilloscope (Teledyne LeCroy software)
    Serial data protocol message timing measurements made between two protocol messages using an oscilloscope (Teledyne LeCroy software)
    Serial data protocol message timing measurements made between the time of an oscilloscope trigger and occurrence of protocol message (Teledyne LeCroy software)

    Example shows I2C data packets (top signal) and a control signal (bottom signal) that operate with a cause-effect relationship with a defined maximum delay time between the cause and the effect.

    Automate the measurement and validation of times from one serial data protocol message to another without having to manually use cursors or compare values and times in a protocol table.

    • Measure gateway latency times from one serial data protocol message to another (e.g. CAN to LIN or low-speed CAN to high-speed CAN, or CAN to FlexRay)
    • Quickly understand bus latency times or arbitration behaviors by measuring the difference between two messages on a single decoded waveform.
    • In the example shown, a CAN message (yellow trace, top, left CAN message) results in a LIN message (magenta trace, bottom) being transmitted. The time for the CAN message to travel through a gateway and create the LIN message is measured as 1.404 ms.

    Measure times between any complex trigger condition and the occurrence of a specific serial message. In the example shown:

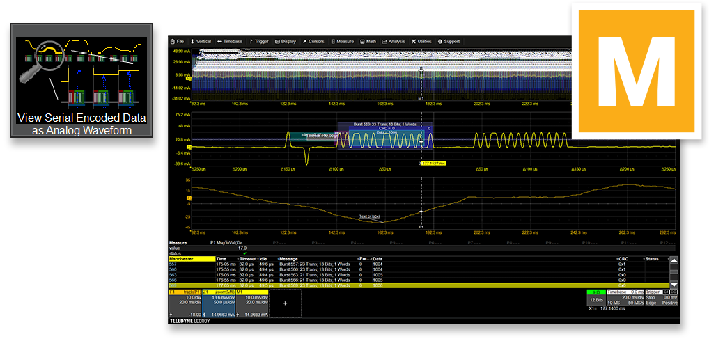
    Serial Data DAC and Graphing Tools

    Digital data can be extracted from specific locations in the serial data message using the Message to Value measurement parameter - a serial data DAC. This information can then be displayed as a measurement parameter value(s), or it can be viewed as a time-correlated waveform displaying the measurement value over time - as if you were able to probe and acquire it directly.

    Serial data DAC showing digital data extracted from a CAN signal and rescaled as an analog value and displayed as if it were a probed waveform (Teledyne LeCroy software)
    Serial data DAC showing digital data extracted from a SPI signal containing ADC data. ADC data is rescaled as an analog value and displayed to show where the ADC is producing errors. (Teledyne LeCroy software)
    I2S audio serial digital data data is extracted and plotted as an analog waveform that replices that encoded analog audio waveform (Teledyne LeCroy software)
    Serial data DAC showing digital data extracted from a PSI5 message and plotted as an analog waveform.  (Teledyne LeCroy software)
    Serial data DAC message data length extracted from protocol table data and distribution plotted as a histogram

    Vehicle steering wheel angle and rate of change data embedded in Controlled Area Network (CAN) is extracted, rescaled to correct units of measure, and plotted as if it were an analog waveform.

    Serial Peripheral Interface (SPI) clock (DATA1 digital line, magenta signal in top left) and data signal (DATA0 digital line, blue signal upper left) acquired for 20 ms (thousands of messages). Individual packets are zoomed (yellow signals in lower left).

    I2S Serial Audio clock (M1, yellow signal at top) and left/right data channels (M2, magenta signal; M3 blue signal at top) are acquired for 50 ms (thousands of messages).

    • Left and Right audio channel serial data is plotted as an analog waveform (F1, yellow, left channel; F2, red, right channel; signals at bottom)
    • Viewing the digital audio data as an analog waveform can help to quickly assess whether there is audio clipping or other anomalous behaviors.

    PSI5 data signal (M1, annotated signal at top) is acquired for 200 ms (thousands of messages)

    CAN data (M1, yellow signal at top) is acquired for 10 ms. This example demonstrates using data in the protocol table to evaluate some aspect of system performance.

    • Data Length Code (DLC – the number of data bytes in each CAN message) is read from the table using the Column-to-Value measurement capability.
    • Measurement parameter P1 aggregates the table data as a measurement value with min, max, and statistics (42 measured values total).
    • All protocol data is shown in the table at the bottom of the image.
    • Bottom signal (F1, orange) is histogram showing how many packets contain 4, 12, 16, or 64 bytes, enabling quick analysis of data distribution and network behavior.

    Bus Status Measurements

    The bus status measurements Bus Load, Message Bitrate, and Number of Messages, give an overall status of the protocol transmission to determine if the bus is over utilized and to verify the bit rate matches expectations

    Bus Load and Bit Rate Analysis

    Gain a better understanding of the network communication efficiency, quality and reliability.

    • Monitor Bus Load: Identify network congestion and ensure communication efficiency.
    • Analyze Bit Rate: Verify data transfer speed and timing accuracy for compliance with system requirements.
    • Optimize Performance: Detect anomalies, prevent delays, and maintain real-time reliability through continuous measurement and analysis.

    Eye Diagrams to Visualize and Validate Signal Quality

    Eye diagrams are bit-sliced views of the physical layer serial data waveforms. They provide a fast, intuitive way to understand physical layer signal integrity and help to identify anomalies.

    Eye Diagrams

    Teledyne LeCroy eye diagrams are generated from one long, continuous acquisition of either packetized or streaming data. They may be combined with masks and mask failure indications and eye (opening) parameters.

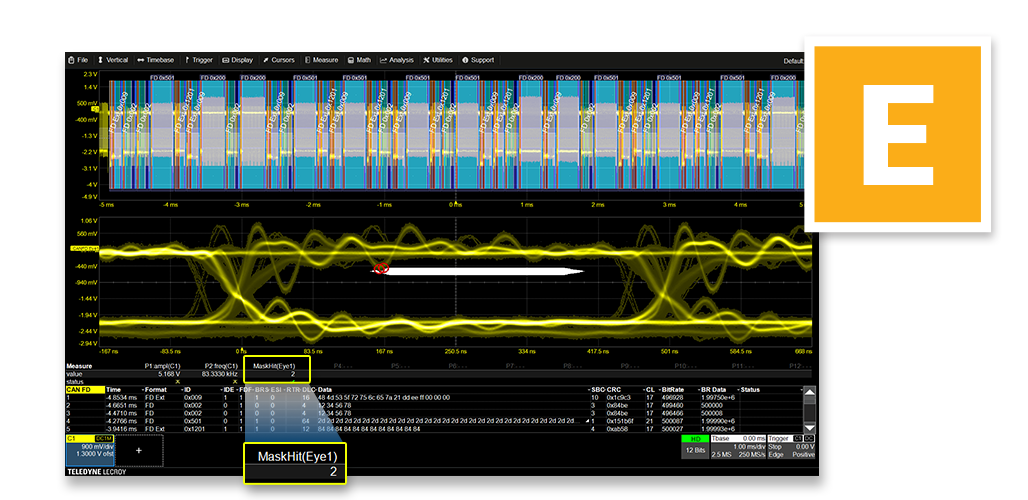
    Eye Diagram Mask and Eye Measurements

    Compare the eye diagram to predefined limits using an eye diagram mask. Eye diagram parameters and mask failures highlight timing or voltage margin problems.

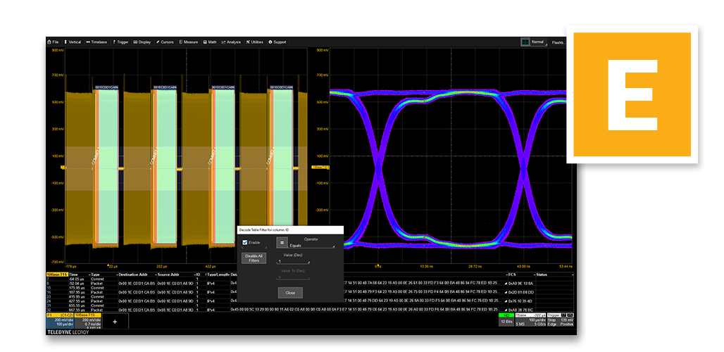
    Eye Diagram Data Filtering

    Combine eye diagrams with data filtering (e.g., messages from a specific node or with a specific ID) to isolate problematic message frames or IDs and accelerate debugging and validation.

    Eye Diagram Mask Failure Indication

    Root-cause analysis is quickly performed on indicated failures.

    Advanced PHY Test Made Simple

    Make accurate PHY measurements according to the specific test definition with advanced eye diagrams, equalization, and specialized tools for precise analysis of complex standards.

    Advanced PHY Measurements

    Some standards (e.g., FlexRay, MIPI, USB-PD, DisplayPort AUX) require specific eye diagram and measurement setups. For these standards, Teledyne LeCroy adds standard-specific capabilities and measurements.

    Accurate Automotive Ethernet Analysis

    Automotive Ethernet standards, such as 100Base-T1 and 1000Base-T1, require signal equalization to ensure high fidelity PAM3 eye diagrams. Teledyne LeCroy’s TDMP solutions for automotive ethernet include capabilities to ensure accurate measurements.

    • Integrated equalizers to generate accurate PAM3 eye diagrams
    • Accurately simulate real-world receiver behavior
    • Provide accurate decoding in real time using equalized signal for master/slave configurations
    • Compensate for coupler effects

    Seamlessly Merge a Protocol Analyzer and Oscilloscope

    Teledyne LeCroy CrossSync® PHY software and interposers seamlessly merge the functions of a Teledyne LeCroy protocol analyzer and oscilloscope – giving insight into link behavior that no other instrument can provide. Solve your interoperability issues faster and improve time to market.

    Explore More about CrossSync PHY for PCIe®

    Explore More about CrossSync PHY for USB

      Resources

      Name

      TDME Serial Data Debugging Solutions Datasheet

      Datasheet

      I2C Conditional Data Triggering

      Application Note

      I2C Sub-Addressing Trigger Made Easy

      Application Note

      I2C Data Length Triggering

      Application Note

      Using CAN Digital Data for Speed Calculation

      Application Note

      CAN Sensor Characterization

      Application Note

      Smart CAN Triggering

      Application Note

      Testing & Debugging Avionics Systems that Use ARINC 429 or MIL-STD-1553 Data Busses

      Application Note

      Using Manchester and NRZ Configurable Protocol Decoders

      Application Note

      Decoding DALI with the Manchester Configurable Protocol Decoder

      Application Note

      Capture, Decode and Debug of Low Speed Serial Buses

      Application Note

      Decoding a UNI/O Bus Protocol Signal

      Application Note

      Decoding a SENT Protocol

      Application Note
      Serial Data Trigger, Decode, Measure/Graph and Eye Diagrams with Teledyne LeCroy Oscilloscopes
      Serial Data Trigger and Decode with Teledyne LeCroy Oscilloscopes
      Serial Data Measurements, Digital-to-Analog Conversion, and Graphing with Teledyne LeCroy Oscilloscopes
      Packetized Serial Data Eye Diagrams with Teledyne LeCroy Oscilloscopes
      WaveRunner 8000 TDME
      WaveRunner 9000 Most Complete Serial Data Debug and Validation
      Understanding the Basics of the SENT Protocol
      Verifying the Stability of the SENT SPC MTP
      SMBus TDME Tutorial
      Understanding the 100Base-T1 Link Startup
      Measure USB Power Delivery VBUS @ PS_RDY
      DisplayPort Alt Mode Debug
      USB 3.2 PHY and PHY-logic Testing
      USB 3.2 PHY-Logic Debug
      USB Type-C® Sideband Testing
      USB-C Testing of USB4 Transmitter During Link Training
      Using I2C TDME for I2C Physical Layer Eye Diagram Measurement
      NRZ-Manchester TD Overview

      In this session we focus on compliance and interoperability (C&I) of USB Type-C connected hosts, hubs, adapters, and peripherals, with practical approaches to debugging electrical system issues that may occur when connecting USB-C devices together and meeting all USB-IF and Thunderbolt Specifications.

      In this webinar, we show best practices for measuring and debugging the CAN and CAN FD serial protocols with an oscilloscope, including triggering, decode, measurements, and analysis.

      Join Teledyne LeCroy for this 30-minute Oscilloscope Coffee Break Series to remind us how to get the most test and debug capability from our oscilloscopes. Grab your refreshment and spend a few minutes with us as we focus on a specific topic each month.

      Eye diagrams are a widely used method to quickly assess the signal integrity of serial data systems. In this webinar, we will explain how to create eye diagrams using an oscilloscope and how they can be applied to Controller Area Network (CAN) systems.